CH-STC S型傳感器
編號:10502
查看:
發布:2022-05-20
產品名稱:CH-STCS型傳感器產品特點:CH-STC采用優質合金鋼材質,具有高精度,高穩定性,低外形,安裝簡便、快速等特點。適用于試驗機、配料秤、攪拌站、皮帶秤和包裝秤等,多做拉力使用,也可壓用。量程:500N(
編號:10502
查看:
發布:2022-05-20
產品名稱:CH-STCS型傳感器產品特點:CH-STC采用優質合金鋼材質,具有高精度,高穩定性,低外形,安裝簡便、快速等特點。適用于試驗機、配料秤、攪拌站、皮帶秤和包裝秤等,多做拉力使用,也可壓用。量程:500N(
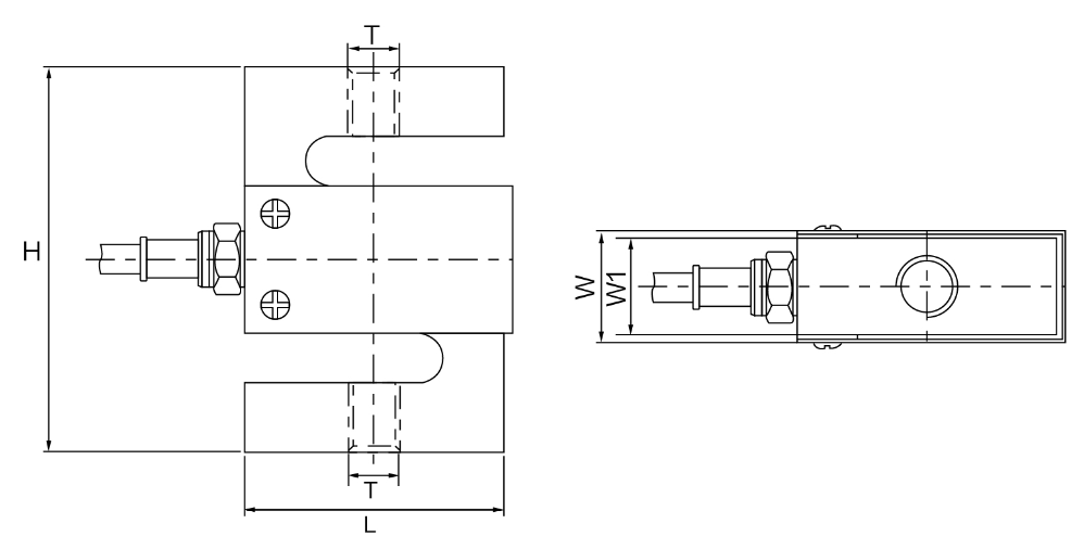
產品名稱:CH-STC S型傳感器
產品特點:CH-STC采用優質合金鋼材質,具有高精度,高穩定性,低外形,安裝簡便、快速等特點。適用于試驗機、配料秤、攪拌站、皮帶秤和包裝秤等,多做拉力使用,也可壓用。
量程:500N(50kg)、1 kN(100kg)、2 kN(200kg)、3 kN(300kg)、5 kN(500kg)、10 kN(1t)、20 kN(2t)、30 kN(3t)、50 kN(5t)
外形尺寸:

| ||||||||||||||||||||||||||||||||||||