CH-LP3單點式稱重傳感器
編號:10416
查看:
發布:2022-05-20
CH-LP3鋁制單點式稱重傳感器為單點承載結構,出廠時已通過四角調整保證其在規定的受載平面內各點輸出一致。產品結構形式簡單,使用方便。適用于制作由單只傳感器構成的各
編號:10416
查看:
發布:2022-05-20
CH-LP3鋁制單點式稱重傳感器為單點承載結構,出廠時已通過四角調整保證其在規定的受載平面內各點輸出一致。產品結構形式簡單,使用方便。適用于制作由單只傳感器構成的各
產品名稱:CH-LP3單點式稱重傳感器
產品特點:CH-LP3鋁制單點式稱重傳感器為單點承載結構,出廠時已通過四角調整保證其在規定的受載平面內各點輸出一致。產品結構形式簡單,使用方便。適用于制作由單只傳感器構成的各種形式電子臺秤。
量程:500N(50kg)、600N(60kg)、1 kN(100kg)、1.5kN(150kg)、2 kN(200kg)、3kN(300kg)、5kN(500kg)、8kN(800kg)
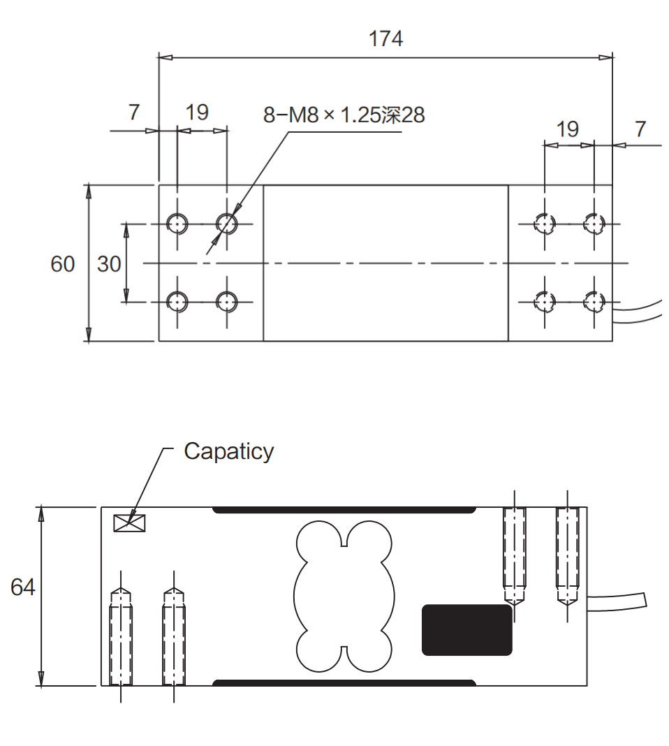
外形尺寸:

CH-LP3 技術參數 | |||
額定輸出 | 2.0mV/V±5% | 輸入阻抗 | 410±15Ω |
非線性 | ±0.02%F.S | 輸出阻抗 | 350±5Ω |
滯后性 | <±0.02%F.S | 絕緣電阻 | ≥5000MΩ |
重復性 | <±0.02%F.S | 允許激勵電壓 | 5~15V/DC |
蠕變 | <±0.02%F.S/30min | 補償溫度范圍 | -10℃~+40℃ |
零點溫度影響 | <±0.02%/10℃ | 工作溫度范圍 | -30℃~+70℃ |
輸出溫度影響 | <±0.02%/10℃ | 安全過載 | 150%F.S |
零點平衡 | <±1%F.S | 極限過載 | 200%F.S |
接線方式 | 激勵:+紅 -黑 信號:+綠 -白 屏蔽:黃 | ||