產品特點:TQ-1C鍵槽輪輻式測力傳感器采用低截面設計的傳感器,是為試驗機專門設計的拉壓兩用傳感器
產品用途:TQ-1C鍵槽輪輻式測力傳感器可滿足不同精度試驗的要求,同時也可用作各種力量測量。
量程:5 kN(500kg)、10 kN(1t)、20 kN(2t)、50 kN(5t)、100 kN(10t)、200 kN(20t)、250 kN(25t)、300 kN(30t)
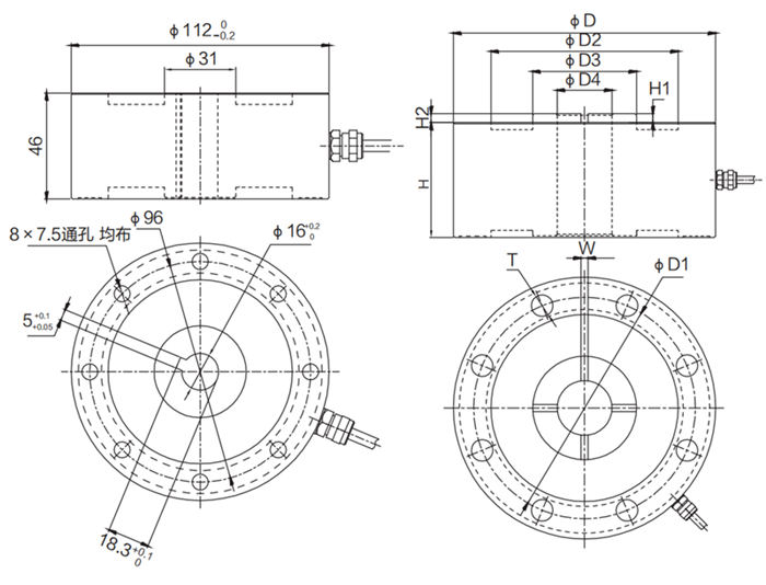
技術參數及外形尺寸:
序號 產品技術參數 1 額定載荷 5 kN-300 kN 2 綜合精度 0.05%F.S 3 靈敏度 2.0mV/V 4 蠕變 ±0.05%F.S/30min 5 零點輸出 ±1%F.S 6 輸入阻抗 387±10Ω 7 輸出阻抗 350±3Ω 8 絕緣阻抗 ≥5000MΩ 9 輸出溫度影響 <0.03%F.S/10℃ 10 零點溫度影響 <0.03%F.S/10℃ 11 推薦激勵電壓 10V(DC/AC) 13 工作溫度范圍 -20~70℃ 14 安全過載 150%F.S 15 材質 優質合金鋼 16 接線方式 紅……E+(電源正) 黑……E-(電源負) 綠……S+(信號正) 白……S-(信號負)

量程(t) D D1 D2 D3 D4 H H1 H2 W T 5t-10t ?130 ?105 ?84 ?48 ?32 55 6 6 4×5 8×Φ14 20t-30t ?182 ?154 ?130 ?72 ?39 80 6 6 4×5 8×Φ15
圖片與實物略有差異,以實物為準 / 濟南泰欽保留隨時更改、撤消產品型號、規格的權利,恕不另行通知