TQ-1H單點輪輻式稱重傳感器
編號:10113
查看:
發布:2025-05-10
TQ-1H單點輪輻式稱重傳感器是傳統產品,成熟可靠。特有的T型過 載保護裝置,抗過載能力強。可選擇一體化標準信號輸出,如4-20mA 或0-5V三線制放大器。 TQ-1H單點輪輻式稱重傳感器適用于皮帶秤,配料秤等。
編號:10113
查看:
發布:2025-05-10
TQ-1H單點輪輻式稱重傳感器是傳統產品,成熟可靠。特有的T型過 載保護裝置,抗過載能力強。可選擇一體化標準信號輸出,如4-20mA 或0-5V三線制放大器。 TQ-1H單點輪輻式稱重傳感器適用于皮帶秤,配料秤等。
產品特點:TQ-1H單點輪輻式稱重傳感器是傳統產品,成熟可靠。特有的T型過載保護裝置,抗過載能力強。方座式輪輻式稱重傳感器高度低,鋼性好,精度高,抗偏載能力強。可選擇一體化標準信號輸出,如4-20mA或0-5V三線制放大器。
產品用途:TQ-1H單點輪輻式稱重傳感器適用于皮帶秤,配料秤;方座輪輻式稱重傳感器適用于皮帶秤,料斗秤,倉儲秤,料罐,材料力學試驗機,勞保安全檢測設備等。
量程:30N(3kg)、50N(5kg)、100N(10kg)、200N(20kg)、300N(30kg)、500N(50kg)、1000N(100kg)、1500N(150kg)、2kN(200kg)、3kN(300kg)、5kN(500kg)、10kN(1t)、20kN(2t)、30 kN(3t)、50 kN(5t)、100 kN(10t)、200 kN(20t) 、300 kN(30t) 、500 kN(50t)、1000 kN(100t)
技術參數及外形尺寸:
序號 | 產品技術參數 | |
1 | 額定載荷 | 30N-1000kN |
2 | 綜合精度 | ±0.05%F.S |
3 | 靈敏度 | 2.0mV/V |
4 | 零點輸出 | ±1%F.S |
5 | 輸入阻抗 | 385±5Ω |
6 | 輸出阻抗 | 350±3Ω |
7 | 絕緣阻抗 | ≥5000MΩ |
8 | 適用溫度范圍 | -20~65℃ |
9 | 安全過載 | 120%F.S |
10 | 材質 | 合金鋼 |
11 | 激勵電壓 | 10V(DC/AC) |
12 | 接線方式 | 紅……E+(輸入正) 黑……E-(輸入負) 綠……S+(輸出正) 白……S-(輸出負) |

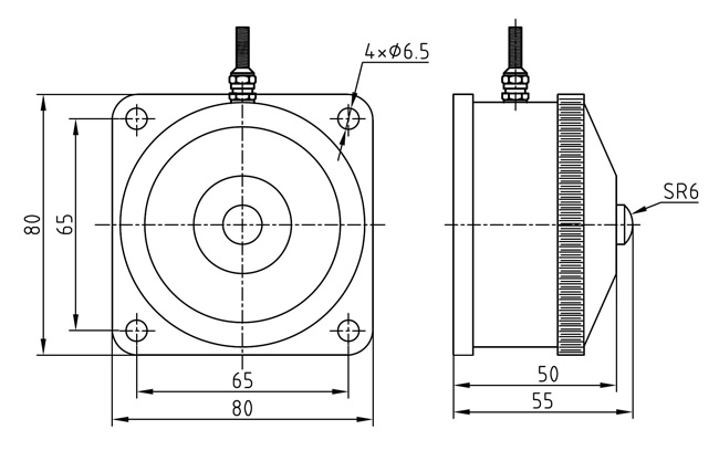
30N-1500N

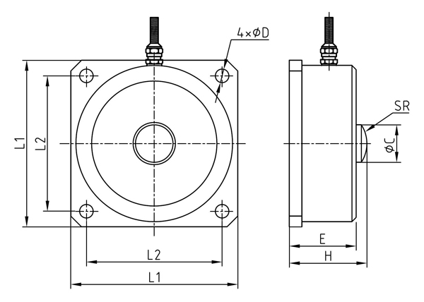
2kN-1000kN
型號 | 量程(kN) | 量程(t) | L1 | L2 | ΦC | ΦD | H | E | SR |
TQ-1H | 2-10 | 0.2-1 | 74 | 62 | 16 | 6.5 | 41 | 33 | 52 |
20-70 | 2-7 | 90 | 73 | 20 | 8.5 | 54 | 44 | 70 | |
100-250 | 10-25 | 116 | 96 | 30 | 11 | 82 | 70 | 91 | |
300-500 | 30-50 | 132 | 108 | 38 | 13 | 97 | 85 | 120 | |
1000 | 100 | 240 | 190 | 76 | 26 | 125 | 112 | 200 |