TQ-1QN內螺紋輪輻式測力傳感器
編號:10114
查看:
發布:2021-08-04
TQ-1QN內螺紋輪輻式測力傳感器采用低截面的緊湊設計,合金鋼無電解鍍鎳處理,具有高輸出小變形,偏心加載補償等特點。 TQ-1QN內螺紋輪輻式測力傳感器皮帶秤、料斗秤及材料力學試驗機等測力設備等。
編號:10114
查看:
發布:2021-08-04
TQ-1QN內螺紋輪輻式測力傳感器采用低截面的緊湊設計,合金鋼無電解鍍鎳處理,具有高輸出小變形,偏心加載補償等特點。 TQ-1QN內螺紋輪輻式測力傳感器皮帶秤、料斗秤及材料力學試驗機等測力設備等。
1000kN(100t)、 2000kN(200t)、3000 kN(300t)、5000 kN(500t)、7500 kN(750t)、10000 kN(1000t)、20000 kN(2000t)
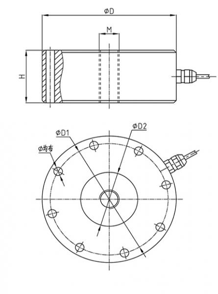
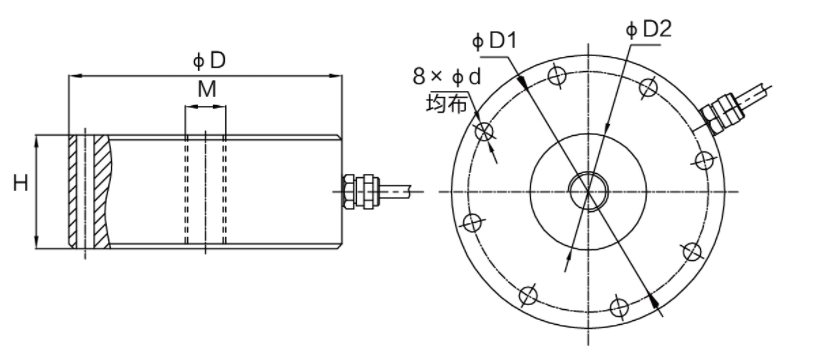
技術參數及外形尺寸:
序號 | 產品技術參數 | |
1 | 額定載荷 | 5-2000kN |
2 | 綜合精度 | 0.05%F.S;0.3%F.S |
3 | 靈敏度 | 2.0mV/V |
4 | 零點輸出 | ≤0.1%F.S |
5 | 輸入阻抗 | 770±20Ω |
6 | 輸出阻抗 | 701±3Ω |
7 | 絕緣阻抗 | ≥5000MΩ |
8 | 補償溫度范圍 | -10~40℃ |
9 | 適用溫度范圍 | -30~70℃ |
10 | 安全過載 | 120%F.S |
11 | 極限載荷 | 200%F.S |
12 | 材質 | 合金鋼 |
13 | 激勵電壓 | 10V(DC) |
14 | 密封等級 | IP66/IP67 |
15 | 接線方式 | 紅……E+(輸入正) 黑……E-(輸入負) 綠……S+(輸出正) 白……S-(輸出負) |

型號 | 量程(kN) | 量程(t) | D | D1 | D2 | H | M | Φ |
TQ-1QN | 5-30 | 0.5-3 | 108 | 96 | 32 | 46 | M16×1.5 | 8×Φ9 |
50-200 | 5-20 | 138 | 116 | 46 | 60 | M24×2 | 8×Φ11 | |
500 | 50 | 250 | 207 | 100 | 100 | M60×4 | 8×Φ18 | |
1000-2000 | 100-200 | 310 | 260 | 138 | 120 | M76×4 | 16×Φ22 | |
2000-3000 | 200-300 | 350 | 300 | 200 | 150 | M100×4 | 8×Φ26 | |
5000 | 500 | 385 | 342 | 160 | 180 | M100×4 | 12×Φ20 | |
7500 | 750 | 560 | 460 | 260 | 140 | M180×6 | 12×Φ50 | |
10000 | 1000 | 608 | 510 | 280 | 161 | M200×6 | 12×Φ58 | |
20000 | 2000 | 750 | 600 | 350 | 250 | M100×4 | 16×Φ52 |
圖片與實物略有差異,以實物為準 / 濟南泰欽保留隨時更改、撤消產品型號、規格的權利,恕不另行通知