TQ-L5平行梁稱重傳感器
編號:10141
查看:
發布:2024-10-15
TQ-L5鋁制箱式平行梁稱重傳感器為單點承載結構,出廠時已通過四角調整保證其在規定的受載平面內各點輸出一致。產品結構形式簡單,使用方便。 TQ-L5平行梁稱重傳感器適用于制作由單只傳感器構成的各種形式電子臺秤、灌裝秤等。
編號:10141
查看:
發布:2024-10-15
TQ-L5鋁制箱式平行梁稱重傳感器為單點承載結構,出廠時已通過四角調整保證其在規定的受載平面內各點輸出一致。產品結構形式簡單,使用方便。 TQ-L5平行梁稱重傳感器適用于制作由單只傳感器構成的各種形式電子臺秤、灌裝秤等。
產品特點:TQ-L5鋁制箱式平行梁稱重傳感器為單點承載結構,出廠時已通過四角調整保證其在規定的受載平面內各點輸出一致。產品結構形式簡單,使用方便。
產品用途:TQ-L5平行梁稱重傳感器適用于制作由單只傳感器構成的各種形式電子臺秤、灌裝秤等。
材質及量程:
合金鋼:TQ-L5 0.5kN(50kg),1kN(100kg),1.5kN(150kg),2kN(200kg),2.5kN(250kg)、5kN(500kg)、10kN(1t)
TQ-L5A:0.5kN(50kg),1kN(100kg),1.5kN(150kg),2kN(200kg)
TQ-L5B:2.5kN(250kg)、5kN(500kg)
TQ-L5C:7.5kN(750kg)、10kN(1t)、20kN(2t)
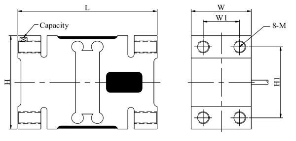
技術參數及外形尺寸:
序號 | 產品技術參數 | |
1 | 額定載荷 | 50kg-2000kg |
2 | 綜合精度 | ≤0.02%F.S |
3 | 額定輸出 | 2.0mV |
4 | 蠕變 | ±0.02%F.S/30min |
5 | 零點輸出 | ±1%F.S |
6 | 零點溫度影響 | ±0.03%F.S/10℃ |
7 | 輸出溫度影響 | ±0.02%F.S/10℃ |
8 | 輸入阻抗 | 410±15Ω/382±15 |
9 | 輸出阻抗 | 350±5Ω |
10 | 絕緣阻抗 | ≥5000MΩ |
11 | 工作溫度范圍 | -10~65℃ |
12 | 安全過載 | 150%F.S |
13 | 材質 | TQ-L5:合金鋼 TQ-L5A,L5B,L5C鋁合金 |
14 | 推薦工作電壓 | 5-12VDC |
15 | 接線方式 | 紅……E+(輸入正) 黑……E-(輸入負) 綠……S+(輸出正) 白……S-(輸出負) |

型號 | 量程(kN) | 量程(kg) | L | W | W1 | H | H1 | M | 推薦安裝尺寸 |
TQ-L5 | 0.5-20 | 50-2000 | 150 | 64 | 38 | 72 | 45 | M14 | 800×800 |
TQ-L5A | 0.5-2 | 50-200 | 156 | 44 | 24 | 75 | 50 | M12×1.75 | 600×600mm |
TQ-L5B | 2.5-5 | 250-500 | 146 | 60 | 36 | 95 | 70 | M12×1.75 | 600×800mm |
TQ-L5C | 7.5-20 | 750-2000 | 176 | 76 | 46 | 125 | 95 | M16×2 | 1200×1200mm |
圖片與實物略有差異,以實物為準 / 濟南泰欽保留隨時更改、撤消產品型號、規格的權利,恕不另行通知