TQ-M1微型稱重傳感器
編號:10147
查看:
發布:2022-03-11
TQ-M1微型稱重傳感器外型小巧,安裝方便。 TQ-M1微型稱重傳感器適用于空間有限的壓式測力場合。
編號:10147
查看:
發布:2022-03-11
TQ-M1微型稱重傳感器外型小巧,安裝方便。 TQ-M1微型稱重傳感器適用于空間有限的壓式測力場合。
產品特點:TQ-M1微型稱重傳感器外型小巧,安裝方便。
產品用途:TQ-M1微型稱重傳感器適用于空間有限的壓式測力場合。
量程:0.1kN(10kg)、0.2kN(20kg)、0.3kN(30kg)、0.5kN(50kg)、
1kN(100kg)、2kN(200kg)、3kN(300kg)、5kN(500kg)、
10kN(1000kg)、20kN(2000kg)
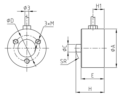
技術參數及外形尺寸:
序號 | 產品技術參數 | |
1 | 額定載荷 | 100,200,300,500(N); 1,2,3,5,10,20(kN) |
2 | 綜合精度 | 0.1-0.5%F.S |
3 | 靈敏度 | 1.0-1.5mV/V |
4 | 蠕變/30分鐘 | ±0.5%F.S/30min |
5 | 零點輸出 | ±1%F.S |
6 | 零點溫度影響 | ±0.5%F.S/10℃ |
7 | 輸出溫度影響 | ±0.5%F.S/10℃ |
8 | 輸入阻抗 | 350±20Ω |
9 | 輸出阻抗 | 350±3Ω |
10 | 絕緣阻抗 | >5000MΩ |
11 | 工作溫度 | -10~65℃ |
12 | 安全過載 | 150%F.S |
13 | 激勵電壓 | 10VDC |
14 | 材質 | 不銹鋼 |
15 | 接線方式 | 紅……E+(輸入正) 黑……E-(輸入負) 綠……S+(輸出正) 白……S-(輸出負) |

型號 | 量程(kN) | 量程(kg) | ΦA | ΦC | ΦD | H | E | M | H1 | SR |
TQ-M1 | 0.1-2 | 10-200 | 20 | 2.5 | 15.5 | 12 | 10 | M3 | 3.5 | 6 |
3-10 | 300-1000 | 26 | 5 | 18.5 | 15 | 11.5 | M4 | 3.5 | 6 | |
20 | 2000 | 30 | 6 | 20 | 18 | 14 | M4 | 3.5 | 15 |
圖片與實物略有差異,以實物為準 / 濟南泰欽保留隨時更改、撤消產品型號、規格的權利,恕不另行通知